補償式偏心半球閥在以引進德國先進技術為基礎,經消化、提高的高科技更新換代產品,為提高我國工業管理裝備水平提供了新型優異產品。本系列產品采用新型納米陶瓷材料制作閥門的密封部件和易損部件,提高了閥門產品的耐磨性、防腐性及密封性,大大延長了閥門的使用壽命。納米陶瓷密封閥門其耐磨損,密封性好,能最大限度地減少泄漏,對環境保護將起到積極的推進作用。產品廣泛應用于石油、化工、造紙、冶金、污水處理等工業行業中液體、半流體、漿狀液體、空氣、煙氣、煤氣、可燃氣體、固物粉料、晶粒料及含雜質多的兩相流體和易沉淀、易結垢、結晶等特種介質的切斷、調節及輸送控制。是本公司獲得國家發明專利產品,專利號:2009200754893。
二、產品特點
設計獨特,自動補償性能強
密封面耐磨、耐沖刷
剪切自潔能力強,密封性能優越
啟閉迅速輕便、壓損小
三、主要的參數性能
| 公稱通徑 | 32~1600 | 32~1400 | 32~1000 | 32~600 | 32~400 | 32~300 | 32~200 |
| 公稱壓力(Mpa) | 0.6 | 1.0 | 1.6 | 2.5 | 4.0 | 6.4 | 10.0 |
| 公稱壓力(Class) | 150 | 300 | 600 | ||||
| 公稱壓力K級 | 10 | 20 | 40 | ||||
| 殼體試壓Mpa | 0.9 | 1.5 | 2.4 | 3.8 | 6 | 9.6 | 15 |
| (Class.K級) | 3 | 7.8 | 15.4 | ||||
| 密封試壓Mpa | 0.66 | 1.1 | 1.8 | 2.8 | 4.4 | 7.04 | 11.0 |
| (Class.K級) | 2.2 | 5.6 | 5.6 | 11.2 | |||
| 氣密試壓Mpa | 0.5~0.7 | ||||||
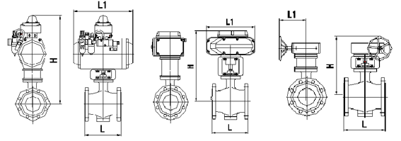
四、外形尺寸圖

| 公稱直徑 | 執行器(參考) | 公稱壓力(Mpa) | 公稱壓力(Class) | |||||||||||||||||||||||||
| 0.6 | 1.0 | 1.6 | 2.5 | 4.0 | 6.4 | 10.0 | 150(2.0) | 300(5.0) | ||||||||||||||||||||
| mm/in | H | L | L1 | H | L | L1 | H | L | L1 | H | L | L1 | H | L | L1 | H | L | L1 | H | L | L1 | H | L | L1 | H | L | L1 | |
| 32─1¼ | 氣動GTD | 503 | 164 | 503 | 164 | 503 | 164 | 521 | 190 | 531 | 210 | 567 | 247 | 682 | 276 | 583 | 190 | |||||||||||
| 電動DCL | 356 | 160 | 356 | 160 | 356 | 160 | 356 | 160 | 366 | 196 | 386 | 196 | 386 | 196 | 446 | 196 | ||||||||||||
| 蝸輪型 | 330 | 180 | 50 | 330 | 180 | 50 | 330 | 180 | 50 | 330 | 180 | 50 | 330 | 180 | 50 | 350 | 229 | 55 | 350 | 229 | 55 | 410 | 180 | 192 | ||||
| 40─1½ | 氣動GTD | 518 | 190 | 518 | 190 | 518 | 190 | 528 | 210 | 542 | 247 | 577 | 276 | 588 | 308 | 603 | 210 | 634 | 276 | |||||||||
| 電動DCL | 371 | 160 | 371 | 160 | 371 | 160 | 381 | 196 | 381 | 196 | 401 | 196 | 386 | 196 | 466 | 196 | 466 | 196 | ||||||||||
| 蝸輪型 | 345 | 200 | 50 | 345 | 200 | 50 | 345 | 200 | 50 | 345 | 200 | 50 | 345 | 200 | 50 | 365 | 241 | 55 | 365 | 241 | 55 | 430 | 200 | 192 | 430 | 200 | 192 | |
| 50─2 | 氣動GTD | 533 | 210 | 533 | 210 | 533 | 210 | 549 | 247 | 564 | 276 | 595 | 308 | 616 | 348 | 618 | 247 | 644 | 308 | |||||||||
| 電動DCL | 296 | 196 | 396 | 196 | 396 | 196 | 396 | 196 | 396 | 196 | 396 | 196 | 396 | 196 | 481 | 196 | 481 | 196 | ||||||||||
| 蝸輪型 | 360 | 178 | 50 | 360 | 178 | 50 | 360 | 178 | 50 | 360 | 178 | 50 | 360 | 178 | 50 | 380 | 292 | 55 | 380 | 292 | 55 | 445 | 178 | 192 | 445 | 250 | 192 | |
| 65─2½ | 氣動GTD | 543 | 247 | 543 | 247 | 543 | 247 | 558 | 276 | 569 | 308 | 605 | 348 | 622 | 378 | 633 | 276 | 665 | 348 | |||||||||
| 電動DCL | 406 | 196 | 406 | 196 | 406 | 196 | 406 | 196 | 406 | 196 | 445 | 255 | 445 | 255 | 496 | 196 | 515 | 255 | ||||||||||
| 蝸輪型 | 370 | 190 | 50 | 370 | 190 | 50 | 370 | 190 | 50 | 370 | 190 | 50 | 370 | 190 | 50 | 390 | 330 | 55 | 390 | 330 | 55 | 460 | 190 | 192 | 460 | 290 | 192 | |
| 80─3 | 氣動GTD | 563 | 276 | 563 | 276 | 563 | 276 | 574 | 308 | 595 | 348 | 620 | 378 | 653 | 432 | 673 | 308 | 711 | 348 | |||||||||
| 電動DCL | 445 | 255 | 445 | 255 | 445 | 255 | 445 | 255 | 445 | 255 | 485 | 255 | 485 | 255 | 555 | 255 | 555 | 255 | ||||||||||
| 蝸輪型 | 390 | 203 | 100 | 390 | 203 | 100 | 390 | 203 | 100 | 390 | 203 | 100 | 390 | 203 | 100 | 430 | 356 | 105 | 430 | 356 | 105 | 500 | 203 | 227 | 500 | 310 | 227 | |
| 100─4 | 氣動GTD | 578 | 308 | 578 | 308 | 578 | 308 | 599 | 348 | 616 | 378 | 652 | 432 | 673 | 524 | 693 | 348 | 744 | 432 | |||||||||
| 電動DCL | 460 | 255 | 460 | 255 | 460 | 255 | 460 | 255 | 460 | 255 | 500 | 255 | 500 | 255 | 575 | 255 | 575 | 255 | ||||||||||
| 蝸輪型 | 405 | 229 | 100 | 405 | 229 | 100 | 405 | 229 | 100 | 405 | 229 | 100 | 405 | 229 | 100 | 445 | 432 | 105 | 445 | 432 | 105 | 520 | 229 | 227 | 520 | 350 | 227 | |
| 125─5 | 氣動GTD | 593 | 348 | 593 | 348 | 593 | 348 | 610 | 378 | 642 | 432 | 673 | 524 | 723 | 648 | 713 | 378 | 770 | 524 | |||||||||
| 電動DCL | 475 | 255 | 475 | 255 | 475 | 255 | 475 | 255 | 475 | 255 | 535 | 255 | 535 | 255 | 595 | 255 | 595 | 255 | ||||||||||
| 蝸輪型 | 420 | 254 | 150 | 420 | 254 | 150 | 420 | 254 | 150 | 420 | 254 | 150 | 420 | 254 | 150 | 480 | 508 | 160 | 480 | 508 | 160 | 540 | 254 | 279 | 540 | 380 | 279 | |
| 150─6 | 氣動GTD | 613 | 378 | 613 | 378 | 613 | 378 | 647 | 432 | 670 | 524 | 740 | 648 | 788 | 715 | 734 | 432 | 804 | 648 | |||||||||
| 電動DCL | 495 | 255 | 495 | 255 | 495 | 255 | 500 | 310 | 500 | 310 | 580 | 310 | 580 | 310 | 625 | 310 | 625 | 310 | ||||||||||
| 蝸輪型 | 440 | 267 | 150 | 440 | 267 | 150 | 440 | 267 | 150 | 440 | 267 | 150 | 440 | 267 | 150 | 520 | 559 | 160 | 500 | 559 | 160 | 565 | 267 | 279 | 565 | 405 | 279 | |
| 200─8 | 氣動GTD | 633 | 432 | 633 | 432 | 633 | 432 | 656 | 524 | 703 | 648 | 791 | 715 | 849 | 795 | 793 | 524 | 888 | 715 | |||||||||
| 電動DCL | 520 | 310 | 520 | 310 | 520 | 310 | 520 | 310 | 520 | 310 | 650 | 310 | 650 | 310 | 680 | 310 | 700 | 310 | ||||||||||
| 蝸輪型 | 460 | 292 | 220 | 460 | 292 | 220 | 460 | 292 | 220 | 460 | 292 | 220 | 460 | 292 | 220 | 570 | 660 | 230 | 570 | 660 | 230 | 620 | 292 | 340 | 620 | 420 | 340 | |
| 250─10 | 氣動GTD | 663 | 524 | 663 | 524 | 663 | 524 | 710 | 648 | 758 | 715 | 816 | 795 | 828 | 648 | 934 | 795 | |||||||||||
| 電動DCL | 570 | 310 | 570 | 310 | 570 | 310 | ||||||||||||||||||||||
| 電動Q | 490 | 662 | 490 | 662 | 620 | 662 | 655 | 662 | 655 | 662 | ||||||||||||||||||
| 蝸輪型 | 490 | 394 | 220 | 490 | 394 | 220 | 490 | 394 | 220 | 490 | 394 | 220 | 490 | 533 | 220 | 620 | 787 | 230 | , , ,, | 655 | 533 | 340 | 655 | 568 | 340 | |||
| 300─12 | 氣動GTD | 713 | 648 | 713 | 648 | 713 | 648 | 761 | 715 | 803 | 795 | 853 | 715 | |||||||||||||||
| 氣動HAW | 803 | 1380 | 853 | 1380 | ||||||||||||||||||||||||
| 電動Q | 540 | 662 | 540 | 662 | 540 | 662 | 540 | 662 | 540 | 662 | 730 | 662 | 680 | 662 | 680 | 662 | ||||||||||||
| 蝸輪型 | 540 | 419 | 400 | 540 | 419 | 400 | 540 | 419 | 400 | 540 | 419 | 400 | 540 | 610 | 400 | 730 | 838 | 420 | 680 | 610 | 435 | 680 | 648 | 435 | ||||
| 350─14 | 氣動GTD | 783 | 715 | 783 | 715 | 783 | 715 | 841 | 795 | 903 | 795 | |||||||||||||||||
| 氣動HAW | 783 | 1380 | 903 | 1860 | ||||||||||||||||||||||||
| 電動DQ | 610 | 755 | 610 | 755 | 730 | 755 | 730 | 755 | ||||||||||||||||||||
| 電動Q | 610 | 662 | 610 | 662 | 610 | 662 | ||||||||||||||||||||||
| 蝸輪型 | 610 | 550 | 400 | 610 | 550 | 400 | 610 | 550 | 400 | 610 | 550 | 400 | 610 | 686 | 400 | 730 | 686 | 435 | 730 | 760 | 435 | |||||||
| 400─16 | 氣動GTD | 858 | 795 | 858 | 795 | 858 | 795 | |||||||||||||||||||||
| 氣動HAW | 858 | 1380 | 858 | 1860 | 953 | 1380 | 953 | 1860 | ||||||||||||||||||||
| 電動DQ | 685 | 755 | 685 | 755 | 685 | 755 | 685 | 755 | 685 | 915 | 780 | 755 | 780 | 915 | ||||||||||||||
| 蝸輪型 | 685 | 600 | 500 | 685 | 600 | 500 | 685 | 600 | 500 | 685 | 600 | 500 | 685 | 762 | 500 | 780 | 700 | 580 | 780 | 838 | 580 | |||||||
| 450─18 | 氣動HAW | 928 | 1380 | 928 | 1380 | 928 | 1380 | 928 | 1860 | 993 | 1860 | |||||||||||||||||
| 電動DQ | 755 | 755 | 755 | 755 | 755 | 755 | 755 | 915 | 820 | 915 | ||||||||||||||||||
| 蝸輪型 | 755 | 660 | 500 | 755 | 660 | 500 | 755 | 660 | 500 | 755 | 660 | 500 | 820 | 730 | 580 | |||||||||||||
| 500─20 | 氣動HAW | 1018 | 1860 | 1018 | 1860 | 1018 | 1860 | 1018 | 1860 | 1073 | 1860 | |||||||||||||||||
| 電動DQ | 845 | 946 | 845 | 946 | 845 | 946 | 845 | 946 | 900 | 946 | ||||||||||||||||||
| 蝸輪型 | 845 | 711 | 700 | 845 | 711 | 700 | 845 | 711 | 700 | 845 | 711 | 700 | 900 | 711 | 690 | |||||||||||||
| 600─24 | 氣動HAW | 1073 | 1860 | 1073 | 1860 | 1073 | 1860 | 1073 | 1860 | 1113 | 1860 | |||||||||||||||||
| 電動DQ | 900 | 1210 | 900 | 1210 | 900 | 1210 | 900 | 1210 | 940 | 1210 | ||||||||||||||||||
| 蝸輪型 | 900 | 1067 | 700 | 900 | 1067 | 700 | 900 | 1067 | 700 | 900 | 1067 | 700 | 940 | 1067 | 690 | |||||||||||||
| 700─28 | 氣動HAW | 1273 | 1860 | 1273 | 1860 | 1273 | 1860 | |||||||||||||||||||||
| 電動DQ | 1100 | 1210 | 1100 | 1210 | 1100 | 1210 | ||||||||||||||||||||||
| 蝸輪型 | 1100 | 1087 | 900 | 1100 | 1087 | 900 | 1100 | 1087 | 900 | |||||||||||||||||||
| 800─32 | 氣動HAW | 1343 | 1860 | 1343 | 1860 | 1343 | 1860 | |||||||||||||||||||||
| 電動DQ | 1170 | 1210 | 1170 | 1210 | 1170 | 1210 | ||||||||||||||||||||||
| 蝸輪型 | 1170 | 1150 | 900 | 1170 | 1150 | 900 | 1170 | 1150 | 900 | |||||||||||||||||||
| 900─36 | 氣動HAW | 1450 | 2350 | 1450 | 2350 | 1450 | 2350 | |||||||||||||||||||||
| 電動DQ | 1280 | 1415 | 1280 | 1415 | 1280 | 1415 | ||||||||||||||||||||||
| 蝸輪型 | 1280 | 1283 | 1350 | 1280 | 1283 | 1350 | 1280 | 1283 | 1350 | |||||||||||||||||||
| 1000─40 | 氣動HAW | 1523, | 2350 | 1523 | 2350 | 1523 | 2350 | |||||||||||||||||||||
| 電動DQ | 1350 | 1415 | 1350 | 1415 | 1350 | 1415 | ||||||||||||||||||||||
| 蝸輪型 | 1350 | 1460 | 1350 | 1350 | 1460 | 1350 | 1350 | 1460 | 1350 | |||||||||||||||||||
| 1200 ─ 44 | 氣動HAW | 1623 | 2350 | 1763 | 2350 | |||||||||||||||||||||||
| 電動DQ | 1350 | 1415 | 1350 | 1415 | ||||||||||||||||||||||||
| 蝸輪型 | 1450 | 1650 | 1350 | 1590 | 1650 | 1350 | ||||||||||||||||||||||
| 1400─48 | 氣動HAW | 1748 | 2350 | 1953 | 2350 | |||||||||||||||||||||||
| 電動DQ | 1575 | 1415 | 1575 | 1415 | ||||||||||||||||||||||||
| 蝸輪型 | 1575 | 1800 | 1450 | 1780 | 1800 | 1450 | ||||||||||||||||||||||
| 1600─52 | 氣動HAW | 1823 | 2350 | |||||||||||||||||||||||||
| 電動DQ | 1650 | 1415 | ||||||||||||||||||||||||||
| 蝸輪型 | 1650 | 1850 | 1450 | |||||||||||||||||||||||||
中國.上玉集團有限公司是專業生產自控閥的廠家,補償式偏心半球閥訂貨須知:
一、①補償式偏心半球閥產品名稱與型號②補償式偏心半球閥口徑③補償式偏心半球閥是否帶附件以便我們的為您正確選型。
二、若已經由設計單位選定的補償式偏心半球閥型號,請按補償式偏心半球閥型號直接向我公司銷售部訂購。
三、當使用的場合非常重要或環境比較復雜時,請您盡量提供設計圖紙和詳細參數,由我們上玉集團的專家為您審核把關。
感謝您訪問上玉集團公司網站,如有任何疑問您可以撥打我們的全國熱線電話:400-887-6587,我們一定會盡心盡力為您提供優質的服務。